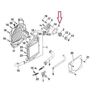
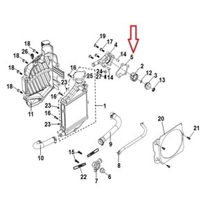
SYM Jet X 125 Devirdaim Kapak Contası (19229-MA2-010), su pompası (devirdaim) kapağı ile motor bloğu arasında tam sızdırmazlık sağlayan kritik bir parçadır.
Orijinal üretim olması sayesinde uzun ömürlüdür, yüksek sıcaklığa dayanıklıdır ve Jet X 125 modelleriyle %100 uyumludur. Soğutma sistemindeki olası su kaçaklarını önleyerek motorun sağlıklı çalışmasına katkı sağlar.
Özellikler:
?? Uyumluluk: SYM Jet X 125
?? Orijinal Parça Kodu: 19229-MA2-010
?? Mükemmel sızdırmazlık
?? Isıya ve basınca dayanıklı yapı
?? Birebir uyum ve kolay montaj
?? Orijinal SYM kalite standardı
Ne İşe Yarar?
Su pompası kapağında kaçak oluşmasını önler
Motorun ideal soğutma performansını korur
Devirdaim sisteminin uzun ömürlü çalışmasını sağlar
Etiketler
SYM Jet X 125 conta, 19229-MA2-010, Jet X devirdaim kapak contası, su pompası contası, SYM Jet X orijinal yedek parça
Kullanacağınız kredi kartının ticari veya bireysel olması durumuna göre taksit seçenekleri değişebilir. Taksit seçenekleri liste fiyatı üzerinden görüntülenmektedir. İndirimli fiyatlara göre taksit seçeneklerini ödeme sayfasından görüntüleyebilirsiniz.